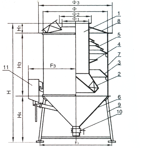
XST型旋流水浴脫硫除塵器簡介
旋流水浴脫硫除塵器簡稱水除,又叫水浴除塵器.在濕法沖激除塵器中,水浴除塵器是 受歡迎一種結構簡單、造價低,便于維護管理的除塵器。此種類型已歷經十五年以來的運行時間,充分證明其運行的穩(wěn)定可靠,且可因地制宜用磚石或混凝土砌筑結構,適用于較小容量鍋爐的煙氣凈化與脫硫。
為提高除塵脫硫效率,進一步對噴咀進行技術改造設計,把兩項流體引旋流機制,保進了膜化與凝聚的形成,強化了鼓泡作用進一步提高了除塵與脫硫效能.
型號 | 鍋爐容量t/h | ||||||
2 | 4 | 6 | 8 | 10 | 15 | 20 | |
風量范圍 | 4600-6000 | 9000-11000 | 10000-13500 | 16000-22000 | 24000-28000 | 33000-37500 | 46000-54000 |
除塵總效率% | 95-98 | ||||||
脫硫效率% | 75-80 | ||||||
阻力Pa | 600-800 | ||||||
林格曼黑度 | <1< p=""> | ||||||
分割粒經uM | <1< p=""> | ||||||
水耗I/m3 | 0.10-0.30 | ||||||




